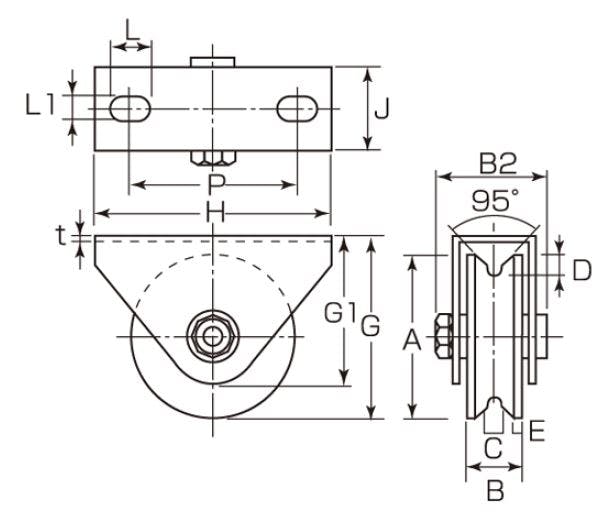
ESCO 150mm/2000kg 戸車(V型・重量用) 戸車 4548745549218 EA986VA-150(CDC)【別送品】 | 障子・襖 通販 | ホームセンターのカインズ